| 选型中心: | |
|---|---|
| 品牌: | |
| 额定功率(KW): | |
| 法兰尺寸: | |
| 额定转速: | |
| 抱闸: | |
| 电源电源: | |
| 额定扭矩: | |
| 编码器类型: | |
| 惯量: | |
| 轴径: |

深圳市聚川自动化设备有限公司耕耘自动化行业16年,
变频器 plc 伺服电机 触摸屏(品控专家)!
主营品牌:三菱/台达/威纶通/英威腾/信捷/汇川
选型技术支持
何工:17779453111
规格参数
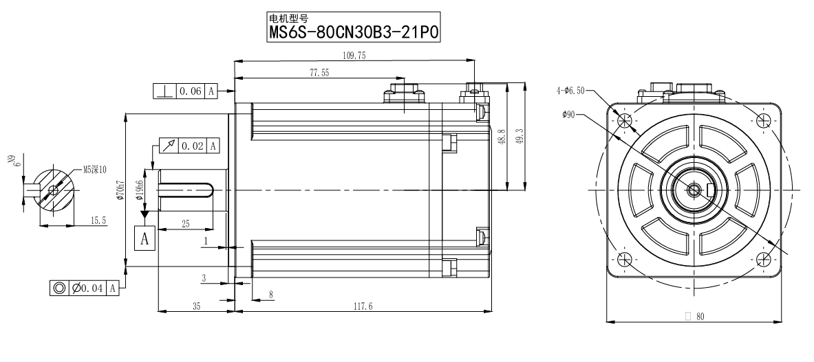
| 电机型号 | MS6S-80CN30B3-21P0 |
| 电机代码 | 8029 |
| 电压等级 | 单相220V |
|
额定功率[KW] |
1.0KW |
| 额定电流[A] | 4.1A |
| 额定转速[rpm] | 3000 |
| 最高转速[rpm] | 4000 |
| 额定转矩【Nm】 | 3.18【Nm】 |
| 最大转矩【Nm】 | 9.54【Nm】 |
| 转子惯量[10^-7kg.m2] | 1182 |
|
惯量类型 |
低惯量 |
|
推荐转子惯量比 |
20 |
| 编码器位数 | 19 位 |
| 编码器种类 | 磁编码器 |
| 防护等级 | IP67 |
| 是否带抱闸 | 不带 |
| 抱闸线圈功率【W】 |
|
| 抱闸线圈电流【A】 |
|
| 静摩擦转矩【Nm】 |
|
规格参数
|
电机型号MS |
单相220V |
||||||||
|
6S-80 |
6H-80 |
6S-80 |
6H-80 |
||||||
|
CS/CM30B1 |
CS/CM30BZ1 |
CS/CM30B1 |
CS/CM30BZ1 |
CS/CM20B1 |
CS/CM20BZ1 |
CS/CM20B1 |
CS/CM20BZ1 |
||
|
20P7 |
20P7 |
20P7 |
20P7 |
20P7 |
20P7 |
20P7 |
20P7 |
||
|
电机代码 |
5007 |
5807 |
50D7 |
58D7 |
5013 |
5813 |
50D3 |
58D3 |
|
|
额定功率(KW) |
0.75 |
||||||||
|
额定电流[mA] |
4000 |
4000 |
4100 |
4100 |
4100 |
4100 |
4100 |
4100 |
|
|
额定转速[RPM] |
3000 |
2000 |
|||||||
|
最高转速[RPM] |
5200 |
3000 |
|||||||
|
额定转矩[Nm] |
2.39 |
3.5 |
|||||||
|
最大转矩[Nm] |
7.17 |
10.5 |
|||||||
|
转子惯量[10^-7kg.m2] |
980 |
1030 |
1670 |
1693 |
1208 |
1261 |
2445 |
2553 |
|
|
惯量类型 |
低惯量 |
低惯量 |
高惯量 |
高惯量 |
低惯量 |
低惯量 |
高惯量 |
高惯量 |
|
|
推荐转子惯量比 |
20 |
||||||||
|
极对数 |
5 |
||||||||
|
编码器位数 |
17 |
||||||||
|
编码器种类 |
磁 |
||||||||
|
电机绝缘等级 |
ClassF(155℃) |
||||||||
|
防护等级 |
IP65 |
||||||||
|
使用环境 |
环境温度 |
-15℃~+40℃(不冻结) |
|||||||
|
环境湿度 |
相对湿度<90%(不结露) |
||||||||