| 选型中心: | |
|---|---|
| 品牌: | |
| 类型: | |
| 电压: | |
| 功率(kw): | |
| 系列: | |
| 功能: |

深圳市聚川自动化设备有限公司耕耘自动化行业16年,
变频器 plc 伺服电机 触摸屏(品控专家)!
主营品牌:三菱/台达/威纶通/英威腾/信捷/汇川
选型技术支持
何工:17779453111
型号:VH1-40P7-B
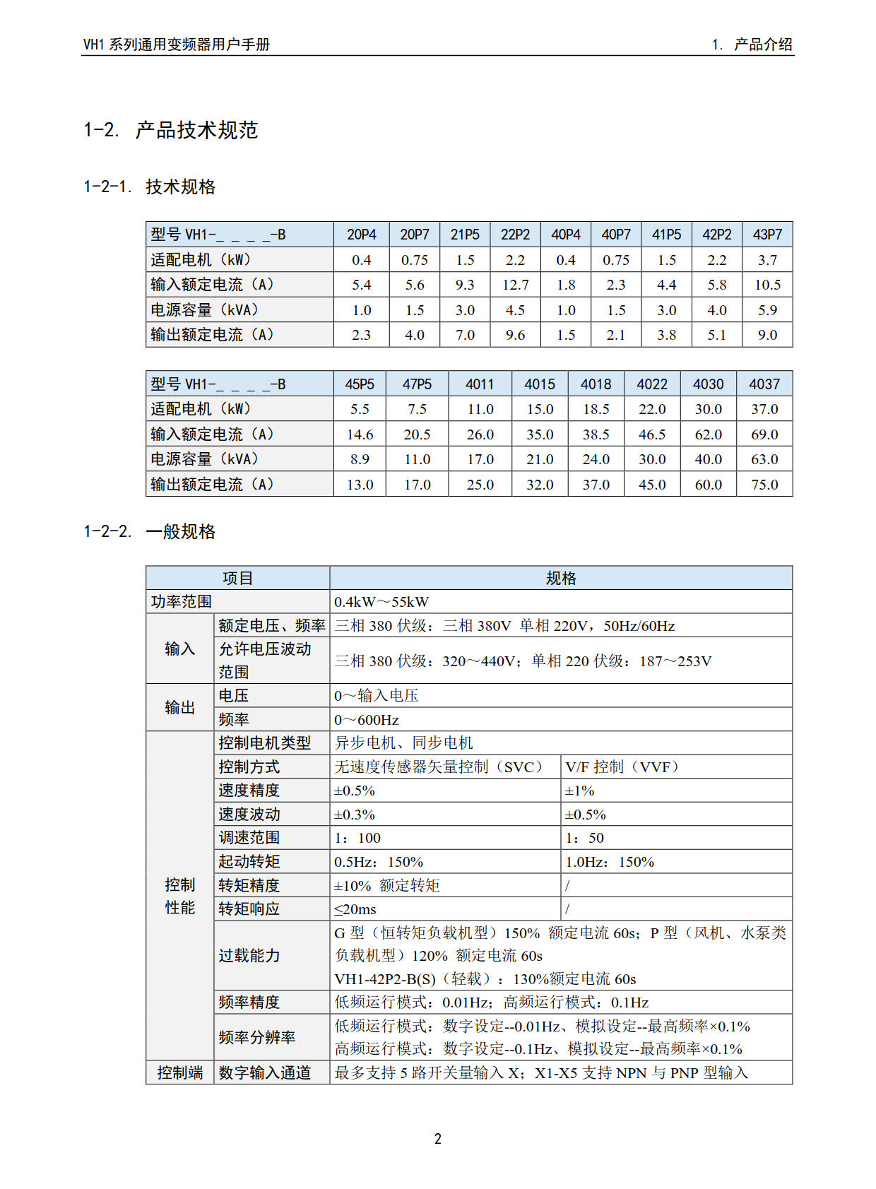
| 项目 | 规格 | ||
| 输入 | 额定电压、频率 | 380V 级:三相 380V,50Hz/60Hz | |
| 允许电压波动范围 | -15%~+15% 电压失衡率:<3% | ||
| 输出 | 电压 | 0~输入电压 | |
| 频率 | 0~600Hz | ||
| 控制性能 | 控制电机类型 | 异步电机,同步电机 | |
| 控制方式 | V/F 控制(VVF),矢量 | ||
| 速度精度 | ±1% | ||
| 速度波动 | ±0.5% | ||
| 调速范围 | 1:50 | ||
| 起动转矩 | 1.0Hz:150% | ||
| 转矩精度 | / | ||
| 转矩响应 | / | ||
| 过载能力 | G型150%额定电流 60S,P型120%额定电流60S | ||
| 频率精度 | 低频运行模式:0.01Hz,高频运行模式:0.1Hz | ||
| 频率分辨率 | 数字设定:0.01Hz;模拟设定:最高频率×0.1% | ||
| 控制端子输入 | 数字输入通道 | 标配:支持 5 路开关量输入X;X1-X5 支持NPN 与PNP 型输入 | |
| 模拟输入通道 | 标配:支持 2 路模拟量输入AI;AI1 支持 0-10V 和 0-20mA 信号;AI2 支持0-10V 电压输入 | ||
| 控制端子输出 | 数字输出通道 | 标配:支持 2 路开关量输出;Y1 0V + TA TB | |
| 模拟输出通道 | 标配:1个模拟量输出端子A0,支持0-10V电压输出 | ||
| 产品功能 | 启动命令给定方式 | 通讯给定(Modbus)、操作面板给定、端子给定 | |
| 频率给定方式 | 通讯给定(Modbus)、操作面板给定、端子给定,模拟量 AI给定多段速给定、简易PLC 给定、PID 和主辅给定 | ||
| 典型功能 | 频率主辅运算、禁止反转、转矩提升、九种V/F 曲线设定、五段 AI 曲线设定、加减速曲线设定、端子延时及滤波、端子多功能输入输出、直流制动、能耗制动、点动运行、16 多段速、内置两路PID、转速跟踪再启动、载波调制、故障记录、故障自复位、预励磁启动、30 组用户自定义参数 | ||
| 重点功能 | 载波调制、转矩控制、电机自整定、限流控制、过压控制、欠 压控制、转速追踪、下垂控制、震荡抑制、过压过流失速控制、自动电压调整(AVR)、自动节能运行等 | ||
| 保护功能 | 上电电机短路检测、过流保护、过压保护、欠压保护、过热保护、过载保护、欠载保护、过流过压失速保护、继电器吸合保护、端子保护、瞬时掉电不停等 | ||
| 能耗制动 | 内置能耗制动 单元,可外接制动电阻 | ||
| 特色功能 | 多总线支持 | 标配 Modbus | |
| LCD 面板 | LCD 显示、参数设置、状态监控、参数拷贝、故障分析定位、程序下载 | ||
| 瞬停不停 | 瞬时停电时通过负载回馈能量补偿电压的降低,维持变频器短时间内继续运行 | ||
| 定时控制 | 定时控制功能:设定时间范围 0.1min~6500.0min | ||
| 多电机切换 | 两组电机参数,可实现两个电机切换控制 | ||
| 端子功能灵活多样化 | 多功能端子X 具有 51 种、Y 有 42 种、AO 具有 19 种逻辑功能选择,满足通用变频器常规控制功能要求 | ||
| 通讯定制参数 | 方便用户对变频器参数进行连续读写 | ||
| 上位机软件 | 丰富的后台监控功能,方便现场数据采集和调试 | ||
| 显示与键盘 | 键盘显示 | 可显示设定频率、输出频率、输出电压、输出电流、输入输出状态等多种参数 | |
| 按键锁定 | 实现对按键的部分或者全部锁定,防止误触发 | ||
| 参数拷贝 | 标配 LED 单显数字键盘,选配 LCD 中英文显示键盘(参数上下载) | ||
| 可选配件 | LCD 键盘 | ||
| 环境 | 使用场所 | 室内,不受阳光直晒,无粉尘、腐蚀性气体、可燃性气体、油雾、水蒸汽、滴水或盐份等 | |
| 海拔 | 低于 1000 米。(高于 1000 米时需降额使用,每增加 1000 米高度输出电流约降低额定电流的 10%) | ||
| 周围温度 | -10℃~+40℃(环境温度在 40℃~50℃,请降额使用或增强散 | ||
| 周围湿度 | 小于 95%RH,无水珠凝结 | ||
| 振动 | 小于 5.9 米/秒²(0.6G) | ||
| 存储温度 | -40℃~+70℃ | ||
| 防护等级 | IP20 | ||
| 冷却方式 | 强制风冷 | ||
| 安装方式 |
壁挂式 |
||
VH1-40P7-B外形与尺寸